Published:2009/7/14 4:26:00 Author:May | From:SeekIC


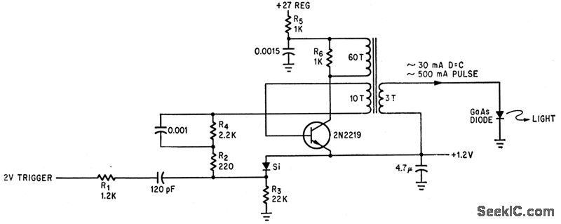
When blocking oscillator is triggered, its output controls flashes from light-emitting diode. Triple-winding transformer gives maximum output for minimum power-supply drain.-C. H. Moulton, Light Pulse System Shrinks High-Voltage Protection Device, Electronics, 38:11, p 71-75.
Reprinted Url Of This Article:
http://www.seekic.com/circuit_diagram/Basic_Circuit/DRIVER_FOR_UGHT_DIODE.html
Print this Page | Comments | Reading(3)
Code: