Published:2009/7/13 4:51:00 Author:May | From:SeekIC

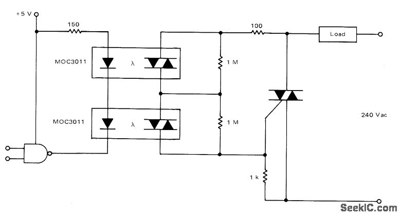
Two Motorola MOC3011 optoisolators are used in series as interface between logic and triac controlling 240-VAC load. 1-megohm resistors across optoiso-lators equalize voltage drops across them. Choice of triacdepends on load to be handled.-P.O'Neil, Applications of the MOC3011 Tridc Driver, Motorola, Phoenix, AZ, 1978, AN-780, p5.
Reprinted Url Of This Article:
http://www.seekic.com/circuit_diagram/Basic_Circuit/DRIVING_240_VAC_TRIAC.html
Print this Page | Comments | Reading(3)
Code: