Published:2011/4/29 1:30:00 Author:Ecco | Keyword: Typical Application Circuit | From:SeekIC

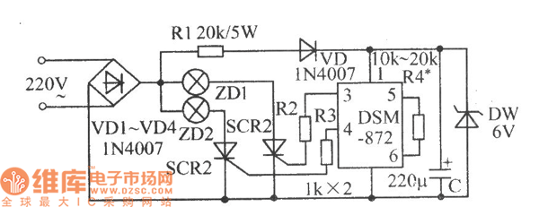
In the circuit shown as the chart, the high and low level of pin 3,pin 4 changes alternately, SCR1 and SCR2 will turn alternately, then the lamps will flash alternately.
Reprinted Url Of This Article:
http://www.seekic.com/circuit_diagram/Basic_Circuit/DSM_872_Typical_Application_Circuit_b_circuit_diagram.html
Print this Page | Comments | Reading(3)
Code: