Published:2009/7/13 3:27:00 Author:May | From:SeekIC

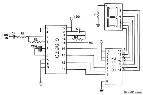
This decoder uses a G8870 DTMF receiver decoder chip to decode DTMF signals and display them via an LED display driven by a 7448 decoder driver chip. Xtal is a 3.579-MHz TV burst crystal.C1=C2-0.1μF, R1=R2=100 kΩ.and R3=300 kΩ. D1 through D4 are small red LEDs.
Reprinted Url Of This Article:
http://www.seekic.com/circuit_diagram/Basic_Circuit/DTMF_DECODER_I.html
Print this Page | Comments | Reading(3)
Code: