Published:2009/7/16 3:37:00 Author:Jessie | From:SeekIC

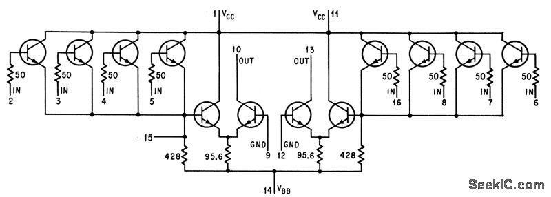
Each 4-input section uses 4-transistor chip for hybrid microelectronic construction.-J. G. Curtis, Crossbred Technology Automates Production of Hybrid Microcircuits, Electronics, 38:13, p 66-73.
Reprinted Url Of This Article:
http://www.seekic.com/circuit_diagram/Basic_Circuit/DUAL_4_INPUT_GATE.html
Print this Page | Comments | Reading(3)
Code: