Published:2009/7/6 2:15:00 Author:May | From:SeekIC

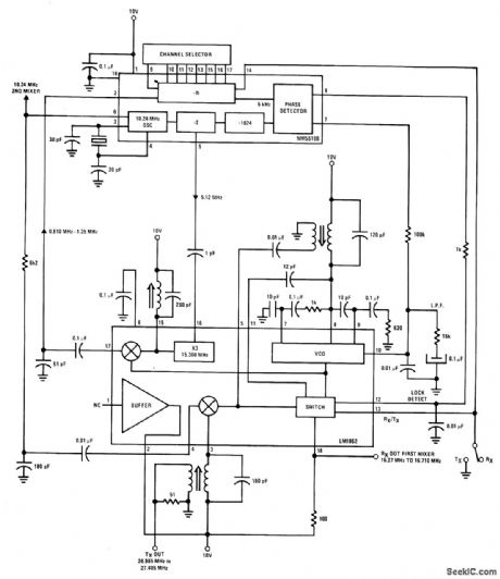
Singlecrystal transceiver system uses 10.240-MHz reference frequency which is added to VC0 frequency to produce transmit frequency. Same 10.240-MHz reference frequency is mixed with first IF signal to generate 455-kHz second IF signal. Dividing reference by 2 provides 5.120-MHz signal that is lightly coupled to multiply-by-3 buffer whose output is tuned to third harmonic (15.360 MHz). This is mixed with VCO frequency to provide input signal for programmable divider, When VCO is operating as first mixer and local oscillator on CB channel 1 (16.270 MHz), difference frequency is 910 kHz. Programmable divider divides by 182 to give necessary 5-kHz input to phase detector. If VCO moves off frequency, divided input to phase detector moves away from 5 kHz and action of loop pulls VC0 back on frequency.-L. Sample, A Linear CB Synthesizer, IEEE Transactions on Consumer Electronics, Aug. 1977, p 200-206.
Reprinted Url Of This Article:
http://www.seekic.com/circuit_diagram/Basic_Circuit/DUAL_CONVERSION_SYNTHESIZER.html
Print this Page | Comments | Reading(3)
Code: