Published:2009/7/6 3:08:00 Author:May | From:SeekIC

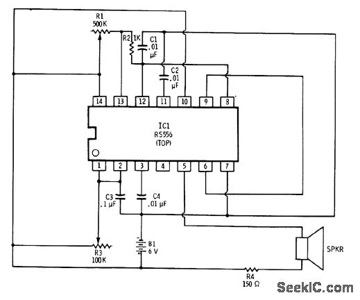
One section of RS556 dual timer is connected as free-running astable MVBR for supplying pulses to trigger input of other section connected as mono MVBR driving loudspeaker. When both MVBRs are adjusted so one trigger pulse initiates each timing period and no trigger pulses occur during timing pefiods, output tone has frequency of freerunning MVBR. With two trigger pulses per timing cycle, every other trigger pulse is ignored and tone is at half frequency. With three trigger pulses per cycle, output is one-third of frequency. Can be used for classloom demonstration of electronic music;settings of R1 and R3 can be adjusted to give tones regembling violin, bagpipes, or almost any other instrument.-F. M. Mims, Integrated Circuit Projects, Vol. 6, Radio Shack, Fort Worth, TX, 1977, p 70-78.
Reprinted Url Of This Article:
http://www.seekic.com/circuit_diagram/Basic_Circuit/DUAL_TIMER_TONE_STEPPER.html
Print this Page | Comments | Reading(3)
Code: