Published:2009/7/14 6:51:00 Author:May | From:SeekIC

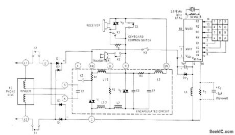
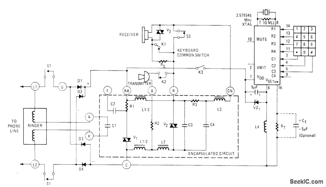
American Microsystems S2559 digital tone generator IC at upper right interfaces directly with encapsulated 500-type telephone set to give pushbutton dualtone telephone. Diodes D1-D4 are added to telephone set to ensure that polarity of direct voltage across device is unchanged even if connections to phone terminals are reversed, Generator IC requires external crystal feeding programmable dividers to give eight standard audio frequencies with high accuracy for combining in pairs as required for dual-tone signaling.- Digital Tone Generator, American Microsystems, Santa Clara, CA, 1977, S2559, p 11.
Reprinted Url Of This Article:
http://www.seekic.com/circuit_diagram/Basic_Circuit/DUAL_TONE_SIGNALING.html
Print this Page | Comments | Reading(3)
Code: