Published:2009/7/10 22:05:00 Author:May | From:SeekIC

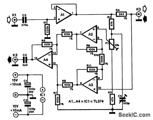
Duplex communication is, of course, not a new technique: it has been used, for instance, in telephone systems for many years. Those systems, however, use transformers to achieve duplex-this circuit does it with the aid of electronics.The principle is fairly simple. Two senders impose signals (U1 and U2, respectively) on to the audio cable. The voltage across the cable is then (U1+ U2)/2. The receivers at both sides of the cable deduct their side's sender signal from the cable signal: the result is that the signal is sent from the other end of the cable. This principle is the basis of the circuit shown. Notice that a similar circuit is required at either end of the link.Op amp A1 is connected as a buffer amplifier and serves as sender. The send signal is imposed on the cable via R4. Terminating the cable by R4 results in the voltage across the cable being only half the voltage output of A1. This does not detract from the operation of the circuit, however. At the same time, R4 ensures that signals emanating from the other end of the link cannot get to the output of A1; if they could, they would be short-cii-cuited by the output.The receiver is a differential amplifier consisting of op amps A2 through A4. The quality of the differential amplifier depends largely on the resistors used with the op amps; 1% types are, therefore, essential.The cable signal, (U1+ U2)/2, is applied to one input of the differential amplifier and the (halved) output signal of A1 to the other. Because the differential amplifier has a gain of 6 dB, the received signal applied to K2 has the same level as the original signal.The circuit is calibrated by connecting the cable to it and to its twin circuit, then injecting a 1-kHz sinusoidal signal and a 5-Vrms level to its input. The input bus of the other circuit must be short-circuited during the calibration. Adjust P2 for minimum signal at K2. Next, increase the frequency of the input signal to 10 kHz and adjust C5 for a minimum signal at K2. Repeat the procedure with the other circuit. The signal suppression at 1 kHz is of the order of 80 dB; at 20 kHz, it is approximately 60 dB.
Reprinted Url Of This Article:
http://www.seekic.com/circuit_diagram/Basic_Circuit/DUPLEX_AUDIO_LINK.html
Print this Page | Comments | Reading(3)
Code: