Published:2009/7/10 21:53:00 Author:May | From:SeekIC

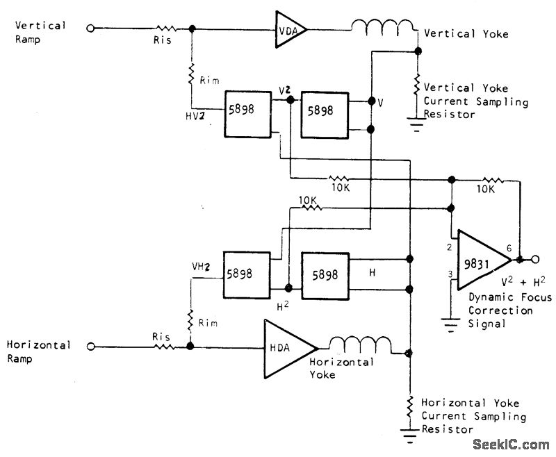
Provides sum of squares of vertical and horizontal position voltages, as required for focus correction in high-resolution flat-face magnetically deflected CRT. Circuit uses Optical Electronics 5898 fourquadrant analog multipliers to give required squared outputs, along with 9831 opamp having comparable bandwidth. Input summing resistors forhorizontal and vertical, deflection am plifiers are chosen for compatibilitj with amplifiers being used. Select current-sampling resistors to generate 10-V peak signaL- Dynamic Focus Correction with Analog Function Modules, Optical Electronics, Tucson, AZ, Application Tip 10127.
Reprinted Url Of This Article:
http://www.seekic.com/circuit_diagram/Basic_Circuit/DYNAMIC_FOCUS_CORRECTION.html
Print this Page | Comments | Reading(3)
Code: