Published:2009/7/11 4:37:00 Author:May | From:SeekIC


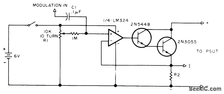
R1 sets load current drawn from power supply under test to desired value, after R2 is chosen to give about 1-V output at maximum load currentto be drawn from power supply under test (PSUT). Modulation input to C1 is obtained from external pulse generator, and selves to make load current increase and decrease over small range.-R. Tenny, Power Supply Testing, 73 Magazine, July 1976, p 112.114 and116-117.
Reprinted Url Of This Article:
http://www.seekic.com/circuit_diagram/Basic_Circuit/DYNAMIC_LOAD.html
Print this Page | Comments | Reading(3)
Code: