Published:2009/6/23 2:20:00 Author:Jessie | From:SeekIC

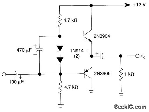
This noninverting circuit uses a pair of com-plementary npn (2N3904) and pnp (2N3906) transistors.
Reprinted Url Of This Article:
http://www.seekic.com/circuit_diagram/Basic_Circuit/Digital_Circuit/COMPLEMENTARY_OR_BILATERAL_ac_EMITTER_FOLLOWER_CIRCUIT.html
Print this Page | Comments | Reading(3)
Code: