Published:2009/7/10 23:53:00 Author:May | From:SeekIC

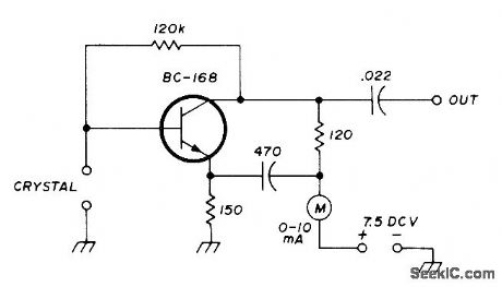
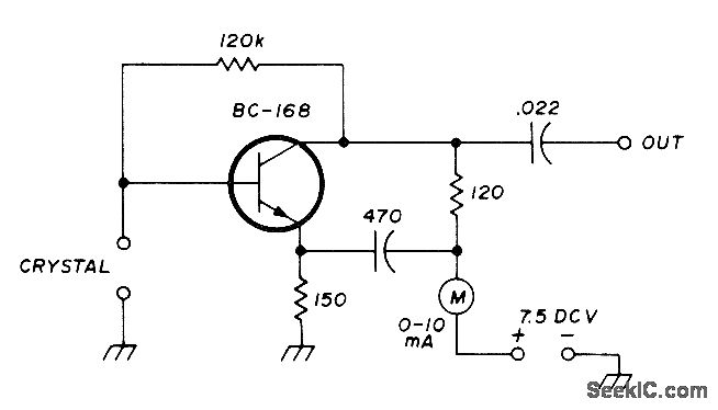
Simple oscillator circuit checks crystal activity and resonant frequency, as required when choosing matched crystals for filters, For frequency check, signal from oscillator is injected into frequency counter. Values shown are for crystals around 5.5 MHz. For matching purposes, higheraccu racy is obtained by reading harmonics of oscillator.-J. Perolo, Practical Considerations in Crystal-Filter Design, Ham Radio, Nov. 1976, p 34-38.
Reprinted Url Of This Article:
http://www.seekic.com/circuit_diagram/Basic_Circuit/Digital_Circuit/CRYSTAL_CHECKER.html
Print this Page | Comments | Reading(3)
Code: