Published:2009/7/14 4:59:00 Author:May | From:SeekIC

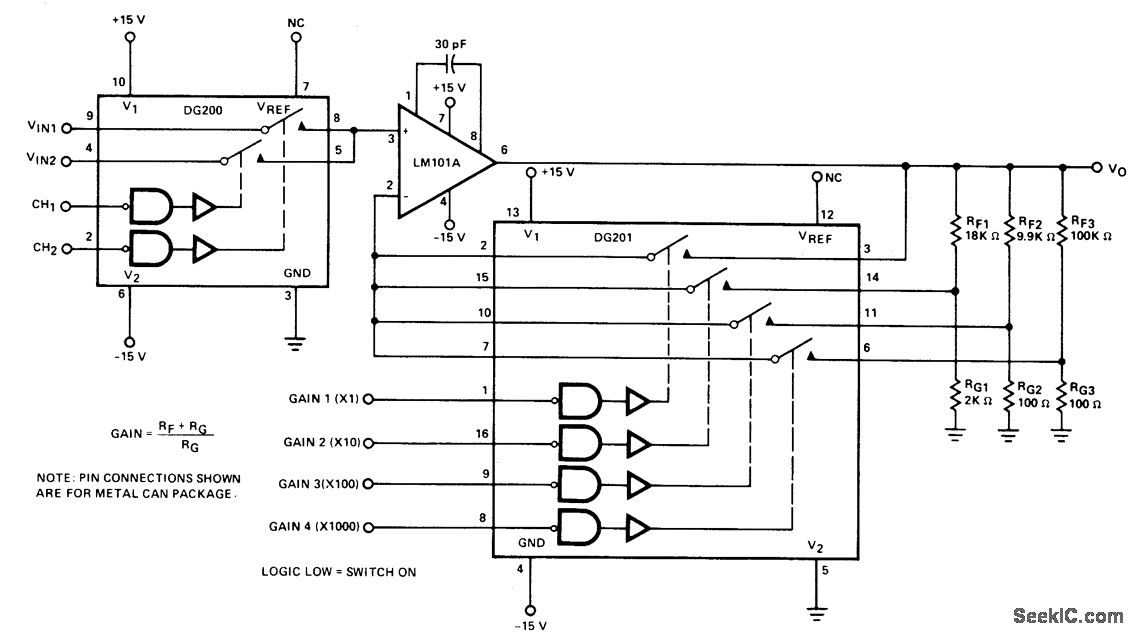
DG200 CMOS analog switch gives programmable choice of two inputs to opamp, and DG201 switch gives choice of four different gain values (1, 10, 100, or 1000) for opamp. Full opamp output range of ±12 V is provided even for unity-gain position of switch.-″Analog Switches and Their Applications,″ Siliconix, Santa Clara,CA,1976,p7-67.
Reprinted Url Of This Article:
http://www.seekic.com/circuit_diagram/Basic_Circuit/Digital_Circuit/DIGITALLΥ__PROGRAMMED_INPUTS_AND_GAINS.html
Print this Page | Comments | Reading(3)
Code: