Published:2009/6/28 21:54:00 Author:May | From:SeekIC

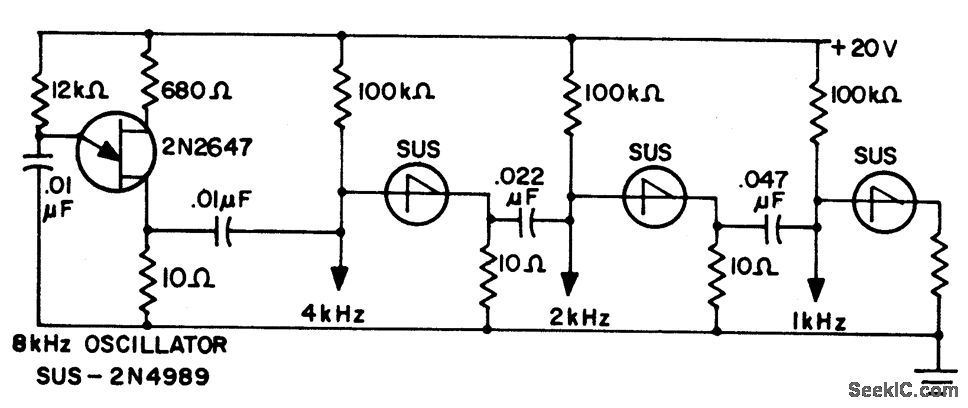
Circuit NotesSawtooth output from each stage IS one half frequency of preceding stage.
Reprinted Url Of This Article:
http://www.seekic.com/circuit_diagram/Basic_Circuit/Digital_Circuit/FREQUENCY_DIVIDER_CHAIN.html
Print this Page | Comments | Reading(3)
Code: