Published:2009/6/28 21:21:00 Author:May | From:SeekIC

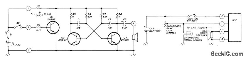
Uses basic oscillator consisting ofQ2 and Q3 arranged as collectorcoupled astable MVBR. Power is taken from collector of Q1 which acts as switch for Q2 and Q3. With S1 closed and S2 open, oscillator operates. Closing S2 saturatesQ1 and stops oscillator. When used as headlight reminder for negativeground car, B1 is omitted and power for oscillator is taken from dashboard panel lights since they come on simultaneously with either parking lights or headlights. If ignition key is turned on, al saturates and disables Q2-Q3. With ig-nition off but lights on, Q1 is cut off and oscillator receives power. Audio output may be connected directly to high side of voice coil of car radio loudspeaker without affecting operation of radio. Almost any NPN transistors can be used. Changing values of R4 and R5 changesfre-quency of reminder tone.-H. F. Batie, Versatile Audio Oscillator, Ham Radio, Jan. 1976, p 72-74.
Reprinted Url Of This Article:
http://www.seekic.com/circuit_diagram/Basic_Circuit/Digital_Circuit/HEADLIGHT_REMINDER.html
Print this Page | Comments | Reading(3)
Code: