Published:2009/6/16 23:54:00 Author:May | From:SeekIC

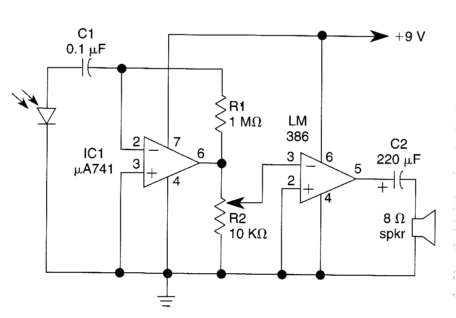
This light-wave receiver consists of a 741 op-erated as a preamplifier and an LM386 operated as a power amplifier. Potentiometer R2 is the gain control. Various kinds of detectors can be used as the front end of the receiver. Phototransistors are very sensitive, but they do not work well in the presence of too much ambient light. A 100-kQ se-ries resistor is required if you use a phototransis-tor. Solar cells, photodiodes, and LEDs of the same semiconductor as the transmitter all work well in this circuit.
Reprinted Url Of This Article:
http://www.seekic.com/circuit_diagram/Basic_Circuit/Digital_Circuit/LIGHT_WAVE_VOICE_COMMUNICATION_RECEIVER.html
Print this Page | Comments | Reading(3)
Code: