Published:2009/6/18 3:41:00 Author:May | From:SeekIC


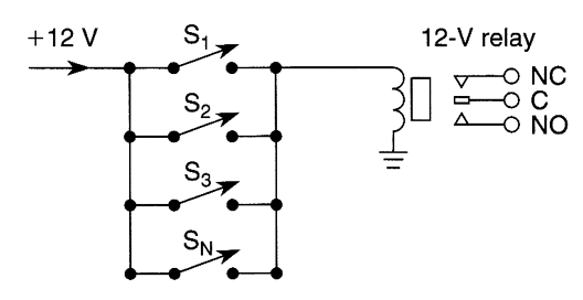
Closing any switch S1,S2,S3,or Sn will actuate the relay(N=any number).Use this circuit for burglar alarms,etc.
Reprinted Url Of This Article:
http://www.seekic.com/circuit_diagram/Basic_Circuit/Digital_Circuit/RELAY“OR”CIRCUIT.html
Print this Page | Comments | Reading(3)
Code: