Published:2009/6/28 20:55:00 Author:Jessie | From:SeekIC

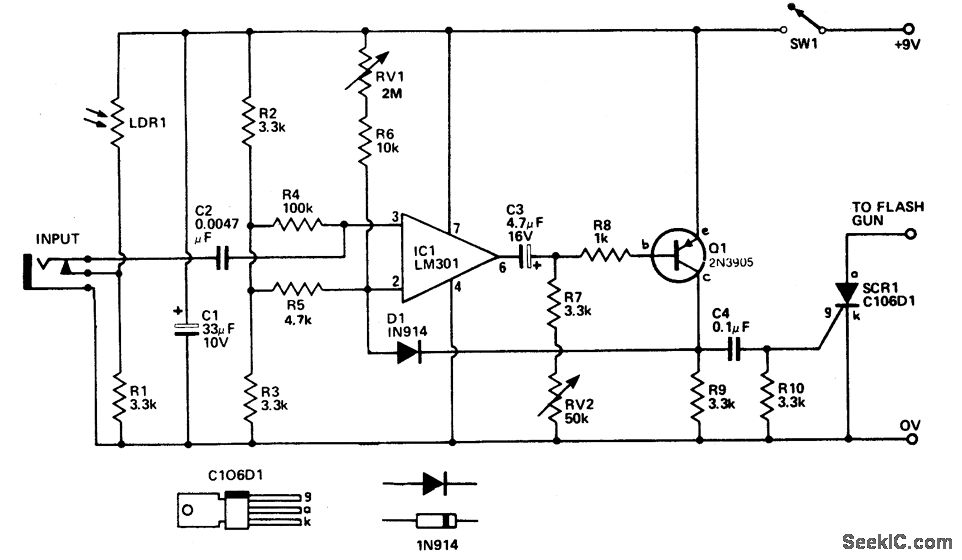
Sound input to the microphone triggers tthe IC monostable circuit which subsequently triggers an SCR, and hence the flash, after a time delay. This delay is adjustable—by varying the monostable on-time—from from 5 milliseconds to 200 milliseconds.
Reprinted Url Of This Article:
http://www.seekic.com/circuit_diagram/Basic_Circuit/Digital_Circuit/SOUND_LIGHT_FLASH_TRIGGER.html
Print this Page | Comments | Reading(3)
Code: