Published:2009/6/25 22:14:00 Author:May | From:SeekIC

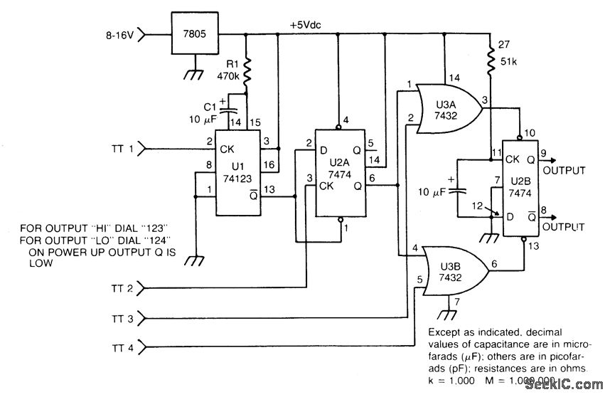
The circuit takes active low inputs from a Touch Tone decoder and reacts to a proper sequence of digits. The proper sequence is determined by which Touch Tone digits the user connects to the sequence decoder inputs TT1, TT2, TT3, and TT4.
Reprinted Url Of This Article:
http://www.seekic.com/circuit_diagram/Basic_Circuit/Digital_Circuit/TONE_DIAL_SEQUENCE_DECODER.html
Print this Page | Comments | Reading(3)
Code: