Published:2012/11/15 20:59:00 Author:muriel | Keyword: USB , RDS, Coder Board , ATmega32 | From:SeekIC


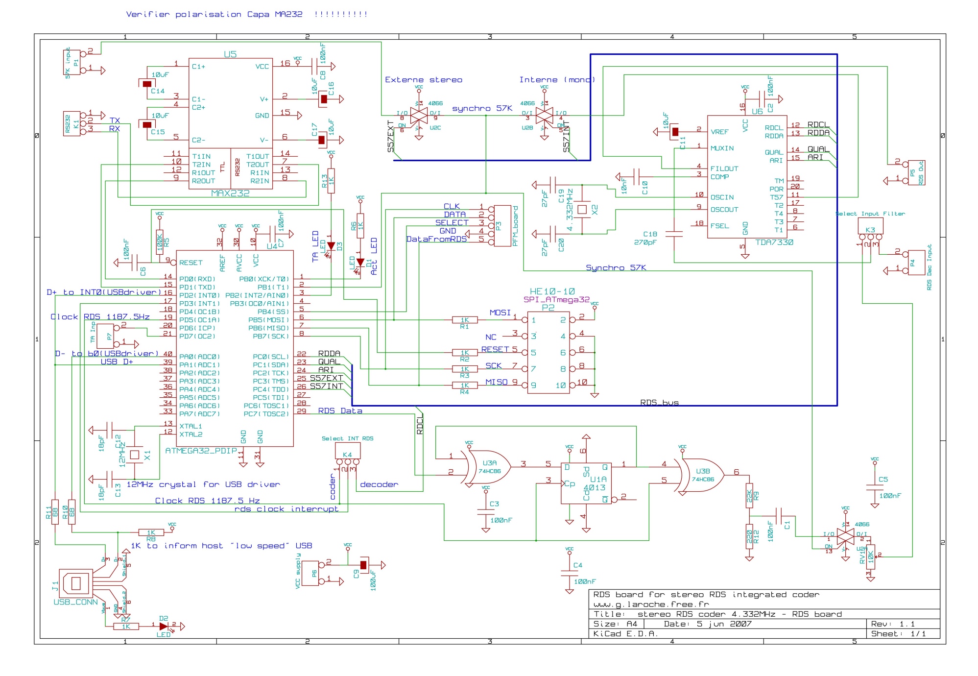
This board is a RDS coder using an ATMEL AVR ATmega32. This board can be controled by a RS232 link, USB interface or SPI. TA data is displayed wiyth a LED and can be controled by : - Hardware input - RS232 - USB - SPI (not yet implemented)
Reprinted Url Of This Article:
http://www.seekic.com/circuit_diagram/Basic_Circuit/Digital_Circuit/USB_RDS_Coder_Board_using_ATmega32.html
Print this Page | Comments | Reading(3)
Code: