Published:2009/6/18 4:59:00 Author:May | From:SeekIC

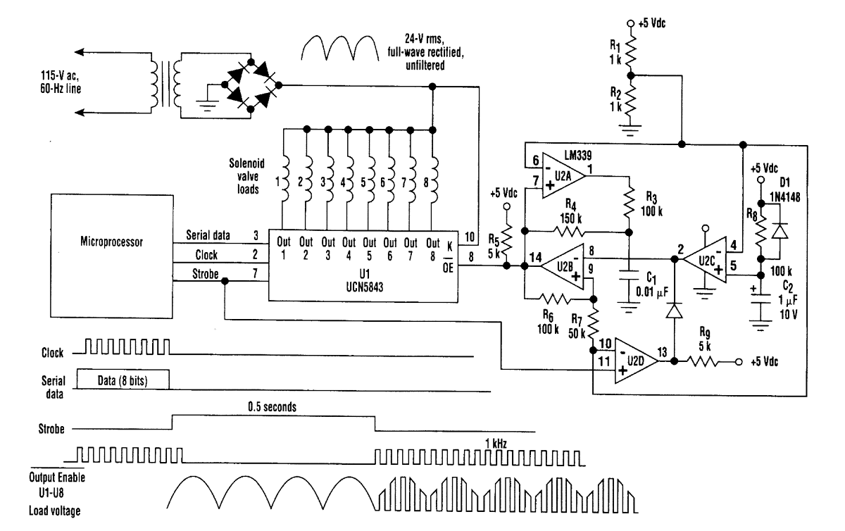
In the circuit shown, the IC in the center, U1, contains a microprocessor-compatib le serial-in, parallel-out shift register, with strobed latch and high-level solenoid drives (see the figure).The strobe pulse turns on the selected loads at full power for its pulse width, which is 0.5 sec-ond. Following the strobe pulse, the driver outputs are pulse-width modulated by the multivibrator, which is set for a duty cycle of 25%. The solenoids are therefore held in the engaged position with a voltage that's 25% of the nominal supply voltage.U2B acts as the basic multivibrator in the circuit, and U2A sets the duty cycle by setting the dis-charge current of capacitor C1. U2D overrides the oscillation during the strobe pulse. And U2C pro-vides the Power-On Reset (POR), inhibiting the solenoid loads from turning on during the initialization period of the microprocessor.
Reprinted Url Of This Article:
http://www.seekic.com/circuit_diagram/Basic_Circuit/Digital_Circuit/VERY_EFFICIENT_SOLENOID_DRIVER.html
Print this Page | Comments | Reading(3)
Code: