About SeekIC | Services | Payment | Advertisements service | Contact Us | Links
© 2008-2012 SeekIC.com Corp.All Rights Reserved.
Published:2011/7/1 1:55:00 Author:Ecco | Keyword: Digital output , angle sensor , signal conditioner , application | From:SeekIC

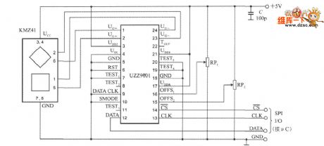
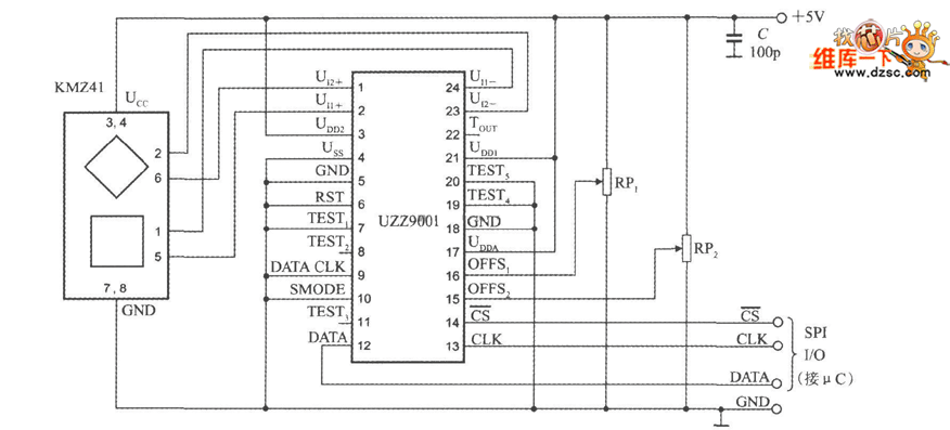
the chart shows the UZZ9001 typical application circuit. C is the decoupling capacitor. SPI input / output interface is directly matched with a microcontroller (μC), which can be set by SCM UZZ9001. UZZ9001 angle measurement error is about ± 0.35o.
Reprinted Url Of This Article:
http://www.seekic.com/circuit_diagram/Basic_Circuit/Digital_output_angle_sensor_signal_conditioner_application_circuit_diagram.html
Print this Page | Comments | Reading(3)
Response in 12 hours
© 2008-2012 SeekIC.com Corp.All Rights Reserved.
Code: