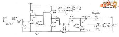
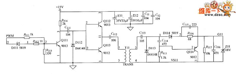
Published:2011/7/24 23:33:00 Author:Ecco | Keyword: Discrete components, power driver | From:SeekIC

Reprinted Url Of This Article:
http://www.seekic.com/circuit_diagram/Basic_Circuit/Discrete_components_power_driver_circuit_diagram.html
Print this Page | Comments | Reading(3)
Code: