Published:2012/9/4 22:41:00 Author:Ecco | Keyword: Double-key , touching lamp switch | From:SeekIC

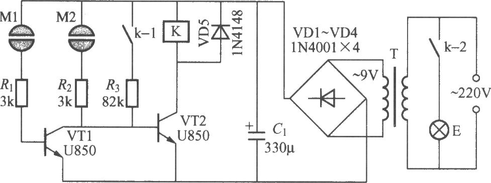
As shown in the figure, it is a double-key touching lamp switch with Darlington transistor, the feature of circuit is that touching tablet and 220V AC mains are isolated by power transformer T, it is relatively safer. The T can be 220V/9V, 5VA small power transformer; K should use ultra - small JZC-22F/2Z-09 power relay.
Reprinted Url Of This Article:
http://www.seekic.com/circuit_diagram/Basic_Circuit/Double_key_touching_lamp_switch_circuit_3.html
Print this Page | Comments | Reading(3)
Code: