Published:2011/6/24 1:27:00 Author:Michel | Keyword: Double-tube, Flyback, DC-DC , Converter Circuit | From:SeekIC

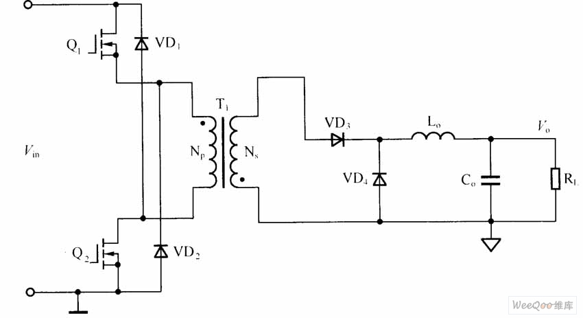
Double-tube flyback DC-DC converter circuit is shown as above.Among them,transformer,T1 acts as isolation,transmission,energy storge and 9 stores energy when switch tubes Q1 and Q2 turns on and Np releases energy to Ns,meanwhile,Np leakage feedbacks input signal via VD1 and VD2 and RCD leakage peak absorbing circuit can be saved when switch tubes Q1 and Q2 turns off.The low-pass filter composed of the inductor Lo and capacitance Co should be added to output port.In output loop,a rectifier diode VD3 is needed.
Reprinted Url Of This Article:
http://www.seekic.com/circuit_diagram/Basic_Circuit/Double_tube_Flyback_DC_DC__Converter_Circuit.html
Print this Page | Comments | Reading(3)
Code: