Published:2009/7/10 3:01:00 Author:May | From:SeekIC

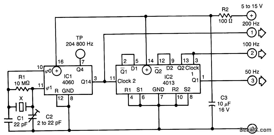
The above time base circuit will provide 50-, 100-, or 200-Hz signals from an inexpensive crystal cut for 3.2768MHz, a common crystal used for microprocesser works. It requires a power supply of 5 to 15 V at 0.05 to 2.5 mA.
Reprinted Url Of This Article:
http://www.seekic.com/circuit_diagram/Basic_Circuit/ECONOMICAL_CRYSTAL_TIME_BASE.html
Print this Page | Comments | Reading(3)
Code: