Published:2009/7/13 4:13:00 Author:May | From:SeekIC

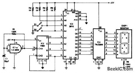
This circuit illustrates use of an EEPROM as a decoder and display driver. IC1 and IC2 generate a binary sequence of addresses in the EEPROM, and the data out of the EEPROM drive (IC4) and the display.
Reprinted Url Of This Article:
http://www.seekic.com/circuit_diagram/Basic_Circuit/EEPROM_DISPLAY_DRIVER.html
Print this Page | Comments | Reading(3)
Code: