Published:2009/6/30 22:40:00 Author:May | From:SeekIC




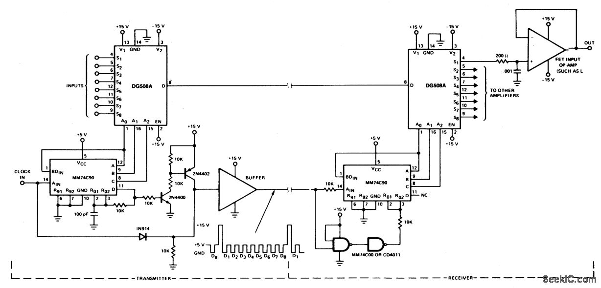
A number of signals may be sent between two points simultaneously by making a slight modification in the receiver circuit. A second DG508A is used as a demultiplexer, allowing all 8 channels to be monitored continuously.
Reprinted Url Of This Article:
http://www.seekic.com/circuit_diagram/Basic_Circuit/EIGHT_CHANNEL_MUX_DEMUX_SYSTEM.html
Print this Page | Comments | Reading(3)
Code: