Published:2009/7/6 6:57:00 Author:May | From:SeekIC


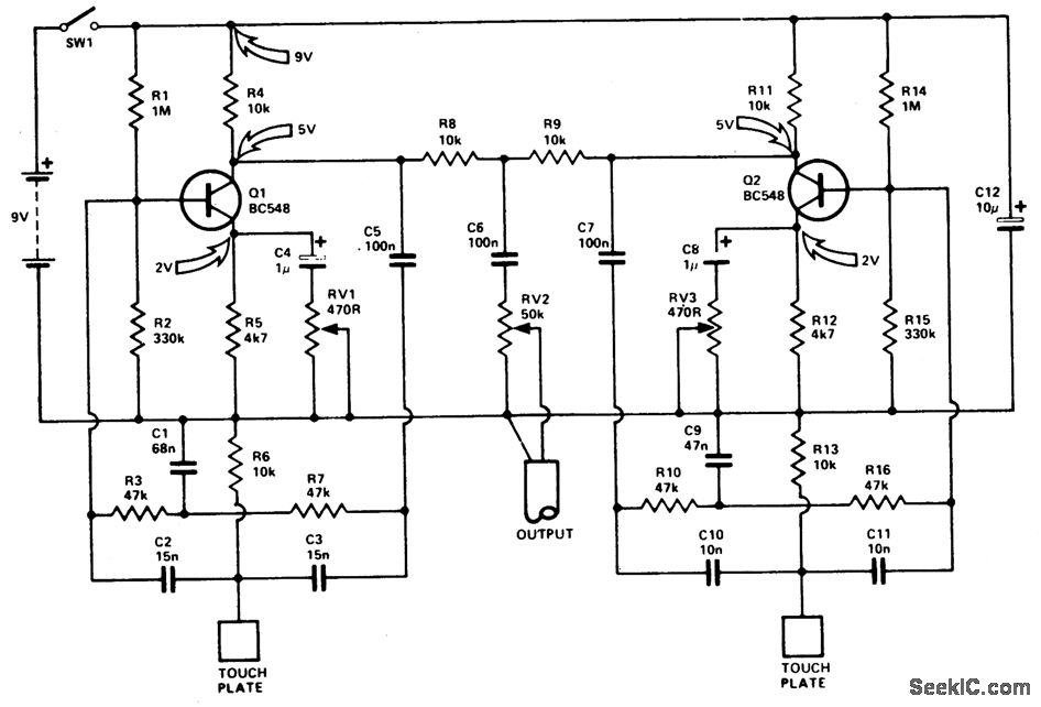
This circuit consists of twin-T sine-wave oscillators. Each oscillator has a filter in the feedback loop. If the loop gain is greater than unity, the circuit will oscillate. Gain is adjusted to be just less than unity. Touching the touch plate starts the oscillator, but the moment your finger is removed from the touch plate the oscillations will die away.The rate of decay is a function of circuit gain and controlled by RV1 (and RV3).
Reprinted Url Of This Article:
http://www.seekic.com/circuit_diagram/Basic_Circuit/ELECTRONICS_BONGOS.html
Print this Page | Comments | Reading(3)
Code: