Published:2009/7/10 1:38:00 Author:May | From:SeekIC



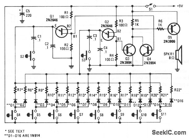
This circuit mimics the dual-tone drone sound that's produced by the unusual wind instrument. Unijunction transistors Q1 and Q2 are connected in similar audio-oscillator circuits. Each of the oscillator frequencies is determined by one of the two resistors selected by one of the pushbutton switches, S4 through S11. The odd-numbered resistors in R7 to R21, determine the frequency for the Q1 oscillator circuit and the even-numbered resistors in R8 through R22, determine the frequency for Q2's circuit.When S4 is pressed, the positive supply is connected to both R7 and R8 through isolation diodes D1 and D2, causing both oscillators to operate. A narrow, fast-rising positive pulse is developed at B1 of both Q1 and Q2 for each cycle of operation. Transistors Q3 and Q4 serve as a simple audio mixer, which is used to combine the pulses from each oscillator. The mixed signal at the collectors of Q3 and Q4 is coupled through R6 to the base of Q5, which amplifies and drives an 8-Ω speaker, SPKR1. Switches, S2 and S3 are used to reduce the oscillator's frequency by about 50% when closed, to produce a new group of tones.
Reprinted Url Of This Article:
http://www.seekic.com/circuit_diagram/Basic_Circuit/ELECTRONIC_BAGPIPE.html
Print this Page | Comments | Reading(3)
Code: