Published:2009/7/1 23:03:00 Author:May | From:SeekIC



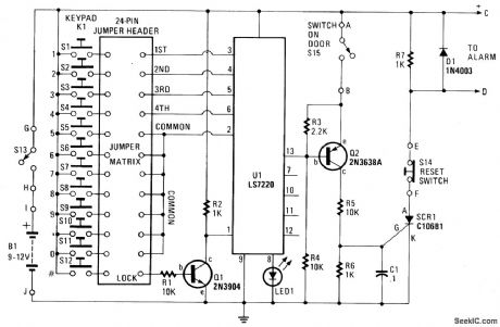
When button S12 (#) is pressed, a positive voltage fed through R1 appears at the base of transistor Q1, turning it on. When Q1 is conducting, pin 1 of U1 is brought to ground (low) or the battery's egative terminal. With pin 1 low, two things occur: Pin 8 of U1 goes high (+9 volts dc), turning on LED 1-indicating that the circuit has been armed-and pin 13 goes from high to low. Transistor Q2 requires a low signal or negative voltage on its base in order to conduct. It also needs a positive voltage on its emitter and a negative voltage on the collector. As long as the door switch (S15) remains open (with the door itself closed), Q2's emitter will not receive the necessary positive voltage. If, however, an unauthorized person opens the door, thus closing switch S15 and placing a positive voltage on the emitter of Q1, the following sequence occurs:
1. Transistor Q2 conducts, receiving the necessary biasing current through a currentdivider network consisting of resistors R3 and R4.2. As Q2 conducts, a voltage drop is developed across the voltage dividers made upof resistors R5 and R6. With R5 at 10,000 ohms and R6 at 1000 ohms, approximately one volt appears at the gate of SCR1. That's enough voltage to trigger the SCR's gate.
Reprinted Url Of This Article:
http://www.seekic.com/circuit_diagram/Basic_Circuit/ELECTRONIC_COMBINATION_LOCK.html
Print this Page | Comments | Reading(3)
Code: