Published:2009/7/2 4:18:00 Author:May | From:SeekIC

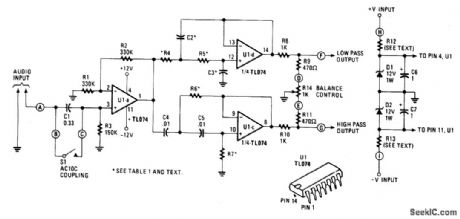
An audio source, such as a mixer, preamplifier, equalizer, or recorder, is fed to the Electronic Crossover Circuit's input. That signal is either ac- or dc-coupled, depending on the setting of switch 51, to the non-inverting input of buffer-amplifter U1a, one section of a quad, BIFET, low-noise TL074 op amp made by Texas Instruments. That stage has a gain of 2, and its output is distributed to both a lowpass filter made by R4, R5, C2, C3, and op-amp Uld, and a highpass filter made by R6, R7, C4, C5, and op amp Ulc. Those are 12 dB/octave Butterworth-type filters. The Butterworth filter response was chosen because it gives the best compromise between damping and phase shift. Values of capacitors and resistors will vary with the selected crossover at which your unit will operate. The filter's outputs are fed to a balancing network made by R8, R9, R10, R11 and balance potentiometer R14. When the potentiometer is at its mid-position, there is unity gain for the passbands of both the high and low filters. Dc power for the Electronic Crossover Circuit is regulated by R12, R13, D1, and D2, and decoupled by C6 and C7.
Reprinted Url Of This Article:
http://www.seekic.com/circuit_diagram/Basic_Circuit/ELECTRONIC_CROSSOVER_CIRCUIT.html
Print this Page | Comments | Reading(3)
Code: