Published:2009/7/13 20:16:00 Author:May | From:SeekIC

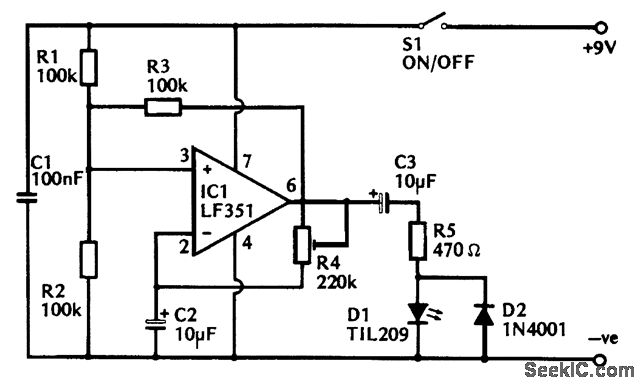
The circuit diagram for the 1-s flasher is based on an operational amplifier that is biased by R1, R2, and R3 to act as a form of Schmitt trigger. The output goes to the low state if the inverting input is taken above 2/3V+, and high if it istaken below 1/3V+. The output, therefore, goes high initially, but C2 soon charges to 2/3V+ via R4, and then the output, goes low. Capacitor C2 then discharges to 1/3V+ via R4, sending the output high again, and producing continuous oscillation. ResistorR4 is adjusted to give an operating frequency of 1 Hz. The 1-s flasher can be calibrated against a watch or clock with asecond hand by empirical means. The output of IC1 is coupled to the LED indicator, D1, by way of dc blocking capacitor C3and current-limiting resistor R5, and the LED is briefly pulsed on as the output voltage swings positive. Diode D2 ensures that there is both a charge and a discharge path for C3 so that the output signal is properly coupled to D1. The current consumption of the unit is about 2 mA.
Reprinted Url Of This Article:
http://www.seekic.com/circuit_diagram/Basic_Circuit/ELECTRONIC_EXPERIMENTERS_HANDBOOK.html
Print this Page | Comments | Reading(3)
Code: