Published:2009/7/13 23:36:00 Author:May | From:SeekIC

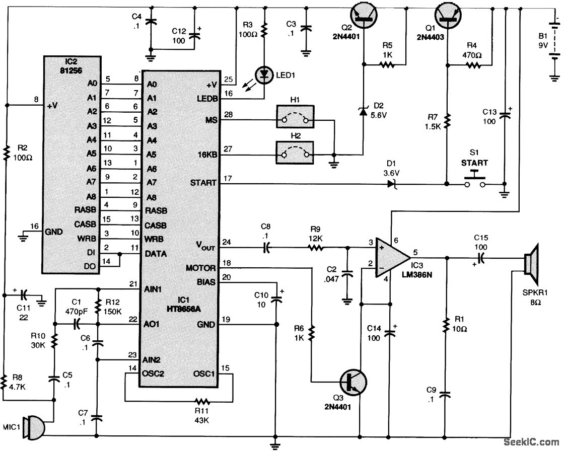
This circuit uses a Holtek HT8656 CMOS LSI chip and an 81256 256K X 1 dynamic RAM chip to form a voice record/playback circuit. The sampling rate is either 16 or 32 kbits per second, which allows 8- or 16-second recording time with the 256K DRAM. A 64K DRAM can be used if shorter times are suitable for your application. Power is via a 9-V battery.
Reprinted Url Of This Article:
http://www.seekic.com/circuit_diagram/Basic_Circuit/ELECTRONIC_PARROT.html
Print this Page | Comments | Reading(3)
Code: