Published:2009/7/10 22:04:00 Author:May | From:SeekIC

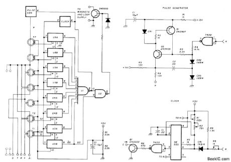
Uses eight 7474 shift register sections in combination with pulse generator that is discharged through appropriate toroid core to create correct markspace coding for energizing magnet drivers of Teletype. Developed to permit communication by handicapped people. Simplified keyboard has one set of alphabetic characters and five numeries for BCD input, Outputs of shift registers drive 7430 NAND gate U2. If keyboard is to be used at 60 WPM, adjustR1 so 555 oscillates at 45 Hz. Toroids are Indiana General CF.102 having 10-turn primaries.-L. A Stapp, Electronie Teleprinter Keyboard, Ham Radio, Aug.1978, p 56-57.
Reprinted Url Of This Article:
http://www.seekic.com/circuit_diagram/Basic_Circuit/ELECTRONIC_TELETYPE_KEYBOARD.html
Print this Page | Comments | Reading(3)
Code: