Published:2011/7/3 19:37:00 Author:Lucas | Keyword: EL display , driving circuit | From:SeekIC

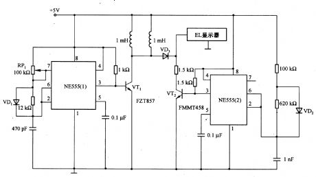
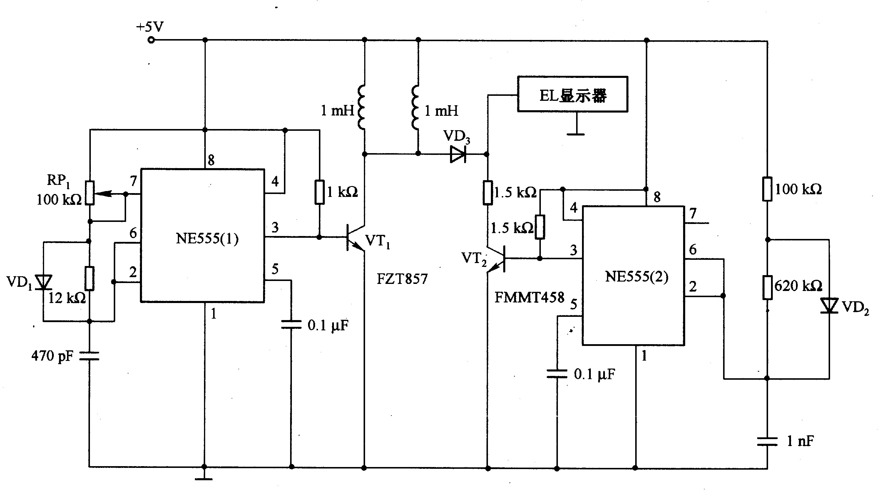
Light-emitting EL display has the advantages of long life (about l00OOh), light uniformity and low loss, and it is equivalent to the LCD for low-light-emitting display, which includs mobile phone, watch and automated meter display. The conventional EL drive circuit uses flyback converter to produce enough high-voltage EL light, if taking into account the cost of the converter and the space, this solution is too expensive. The advantage of EL display driver is that it is composed of low-loss NE555 and several switching transistors.
Reprinted Url Of This Article:
http://www.seekic.com/circuit_diagram/Basic_Circuit/EL_display_driving_circuit_composed_of_NE555.html
Print this Page | Comments | Reading(3)
Code: