Published:2009/7/16 1:54:00 Author:Jessie | From:SeekIC

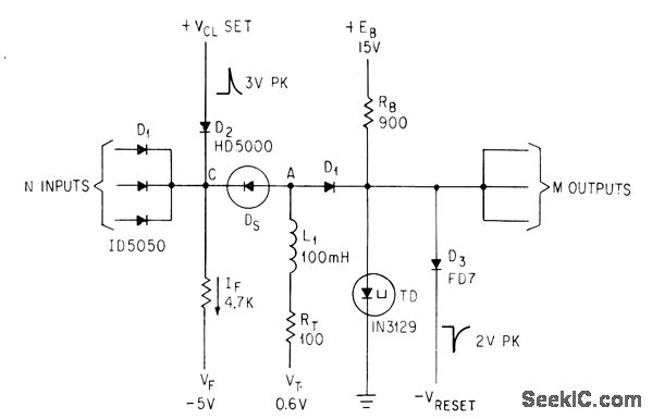
Clock pulse through D2 triggers tunnel diode to its high voltage state to produce an output only when there are no inputs. Hybrid circuit will operate above 100 Mc, ct high fan-in and fan-out, and uses low-cost parts.-P. Chow and J. Cubert, A Key to Nanosecond Switching, Electronics, 36:42, p 42-45.
Reprinted Url Of This Article:
http://www.seekic.com/circuit_diagram/Basic_Circuit/ENHANCED_TUNNEL_DIODE_NOR_CIRCUIT.html
Print this Page | Comments | Reading(3)
Code: