Published:2009/7/15 4:12:00 Author:Jessie | From:SeekIC

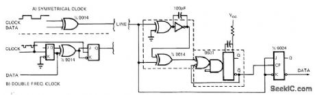
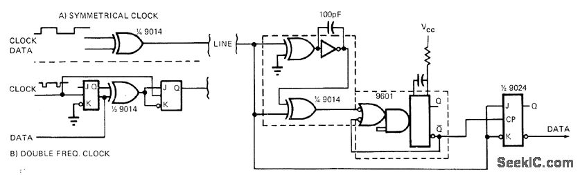
Use of retriggerable mono with EXCLUSIVE-OR gates simplifies design of both transmitter and receiver for handling binary phase-modulated digital data over single line.With 50% duty-cycle clock at transmitter, clock and data signals are applied to Inputs of 9014 to generate output signal for line. At receiver, clock and data stream are regenerated by 9601 adjusted to 75% of data-bit time and connected in nonretriggerable mode. One EXCLUSIVE-OR gate and an EXCLUSIVE-NOR gate connected as inverting delay element will trigger 9601. System remains synchronized as long as pulse width of mono is between 50% and 100% of data-bit time. -P. Alfke, Exclusive-OR Gates Simplify Modem Designs, EDN Magazine, Sept. 15, 1972, p 43.
Reprinted Url Of This Article:
http://www.seekic.com/circuit_diagram/Basic_Circuit/EXCLUSIVE_OR_GATES.html
Print this Page | Comments | Reading(3)
Code: