Published:2009/7/2 20:28:00 Author:May | From:SeekIC

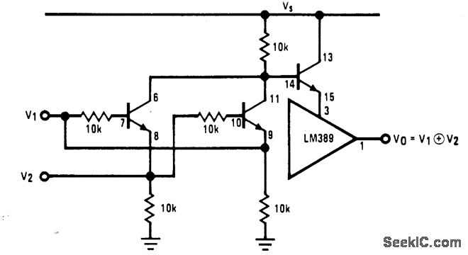
Connection shown for National LM389 combination ofthree transistors with opamp gives standard EXCLUSIVE-OR circuit for controlling muting transistor in audio system,Shorting pin 12 ofopamp to ground gives EXCLUSIVE-NORlogic.- Audio Handbook, National Semicondqctor,Santa Clara,CA,1977,p4-33-4-37
Reprinted Url Of This Article:
http://www.seekic.com/circuit_diagram/Basic_Circuit/EXCLUSIVE_OR_LOGIC_FOR_MUTING.html
Print this Page | Comments | Reading(3)
Code: