Published:2011/6/13 5:12:00 Author:Lucas | Keyword: Electric , sewing machine, no-load , economizer | From:SeekIC

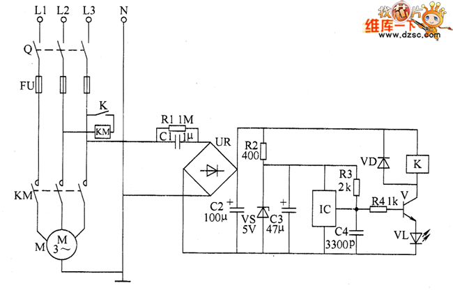
The electric sewing machine no-load economizer circuit is composed of the DC regulated power supply circuit, sensor control circuit and the main control circuit, and the circuit is shown as the chart. The DC regulated power supply circuit consists of step-down capacitor C1, drain resistor R1, bridge rectifier UR, filter capacitors C2 and C3, current limiting resistor R2 and Zener diode VS. Sensor control circuit is composed of the magnet and Hall sensor IC IC which are installed in the clutch lever of sewing machine (it includes the Hall element, differential amplifier, Schmitt trigger, and output circuit), resistors R3 and M, the capacitor C4, transistor V, diode VD, LED VL and relay K.
Reprinted Url Of This Article:
http://www.seekic.com/circuit_diagram/Basic_Circuit/Electric_sewing_machine_no_load_economizer_circuit_diagram_1.html
Print this Page | Comments | Reading(3)
Code: