Published:2011/6/30 20:52:00 Author:Nicole | Keyword: electric welding machine, electricity saver | From:SeekIC

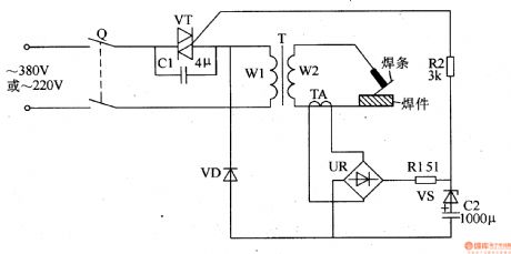
The electric welding machine no load electricity saver circuit is composed of current detection control circuit and electricity saving control circuit, it is shown in the figure 8-9.
The current detection control circuit is made of current transformer TA, bridge rectifiers UR, resistor R1, steady voltage diode VS, capacitor C2 and diode VD.
When the welding rod needs to change or stop transitorily for some reasons, C2 discharges to VT's gate passes through VS and R2, then VT keeps on. After C2 finishes discharging, VT is off, C1 is connected into another loop of T, the electric welding machine is in saving state again.
Reprinted Url Of This Article:
http://www.seekic.com/circuit_diagram/Basic_Circuit/Electric_welding_machine_no_load_electricity_saver_5.html
Print this Page | Comments | Reading(3)
Code: