Published:2013/3/27 3:53:00 Author:Ecco | Keyword: Electro Harmonix , Big Muff Pi Effect | From:SeekIC

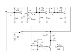
The following diagram is the schematic diagram of electric guitar effect: Electro Harmonix (EH) Big Muff Pi. The EH Big Muff Pi would probably be better making the change by a modern input-jack power and a DPDT bypass switch. The types of transistors and diodes are unknown. It is likely that any high gain NPN transistor and diode 1N914 will work.
Reprinted Url Of This Article:
http://www.seekic.com/circuit_diagram/Basic_Circuit/Electro_Harmonix_Big_Muff_Pi_Effect.html
Print this Page | Comments | Reading(3)
Code: