Published:2013/3/26 3:34:00 Author:Ecco | Keyword: Electro-Harmonix , Small Stone Phaser, Guitar Effect | From:SeekIC

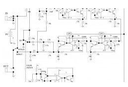
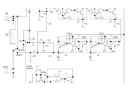
This is the schematic diagram of Electro-Harmonix Small Stone Phaser guitar effect pedal. The Small Stone is somewhat special in applying Operational Transconductance Amplifiers (OTA’s) for phase shift stages rather of opamps with variable resistors. All of the IC’s are house marked EH1048, but could be replaced with CA3094 that is a combination of an OTA equal with the CA3080 as well as a darlington emitter follower.
Reprinted Url Of This Article:
http://www.seekic.com/circuit_diagram/Basic_Circuit/Electro_Harmonix_Small_Stone_Phaser_Guitar_Effect.html
Print this Page | Comments | Reading(3)
Code: