Published:2011/4/19 6:39:00 Author:Ecco | Keyword: Electronic, checking tone ware | From:SeekIC

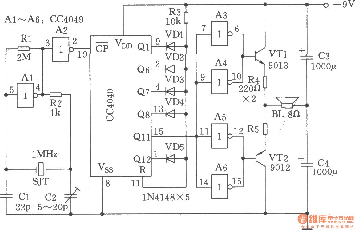
The chart shows the electronic checking tone ware composed of CC4040. The circuit could produce 440Hz international standard A sound, it can be used as checking tone ware for band.
Reprinted Url Of This Article:
http://www.seekic.com/circuit_diagram/Basic_Circuit/Electronic_checking_tone_ware_composed_of_CC4040.html
Print this Page | Comments | Reading(3)
Code: