Published:2009/7/1 4:28:00 Author:May | From:SeekIC



Circuit Notes
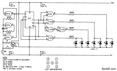
Six LEDs are arranged to produce a dis-play the same as the dots on a dice. When PBI is depressed, the display is blanked and the os-cillator (IC1| a, b, c) clocks IC2 at about 1MHz.IC2 counts from zero and resets on seven. When PBI is released, the display is enabled and a decoding system (IC3) produces the cor-rect output on the LEDs.
Reprinted Url Of This Article:
http://www.seekic.com/circuit_diagram/Basic_Circuit/Electronic_dice.html
Print this Page | Comments | Reading(3)
Code: