Published:2011/5/10 20:38:00 Author:Nicole | Keyword: electronic stethoscope | From:SeekIC

The traditional medical stethoscope has no amplification, weak voice, it's uncomfortable when wedge it in ears, it is affected by environmental noise easily. This electronic stethoscope adopts multi-stage low noise amplifier, the output volume is adjustable, the frequency respondse has good effect, the background noise is low, it also LED display function.
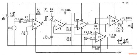
This electronic stethoscope circuit is composed of pickup sensor, preamplifier, low-pass filter amplifier, buffer, audio amplifier, LED display circuit, it is shown in the figure 9-136.
The pickup sensor circuit is composed of microphone BM and R1.
The preamplifier is composed of integrated operational amplifier circuit and resistors R2-R5.
The low-pass filter amplifier is composed of operational amplifier integrated circuit IC2 and transistors R6-R8, capacitors C3, C4, the cut-off frequency is slightly larger than 100Hz.
The buffer amplifier is composed of integrated operational amplifier circuit IC3.
The audio amplifier consists of volume potentiometer RP, low voltage audio amplifier integrated circuit IC4, resistor R13, capacitors C5, C6.
Reprinted Url Of This Article:
http://www.seekic.com/circuit_diagram/Basic_Circuit/Electronic_stethoscope1.html
Print this Page | Comments | Reading(3)
Code: