Published:2011/5/10 21:07:00 Author:Nicole | Keyword: electronic stethoscope | From:SeekIC

This electronic stethoscope has the feature of clear sound, it can replace the ordinary stethoscope without amplification function.
The working principle of this circuit
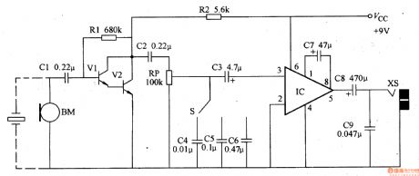
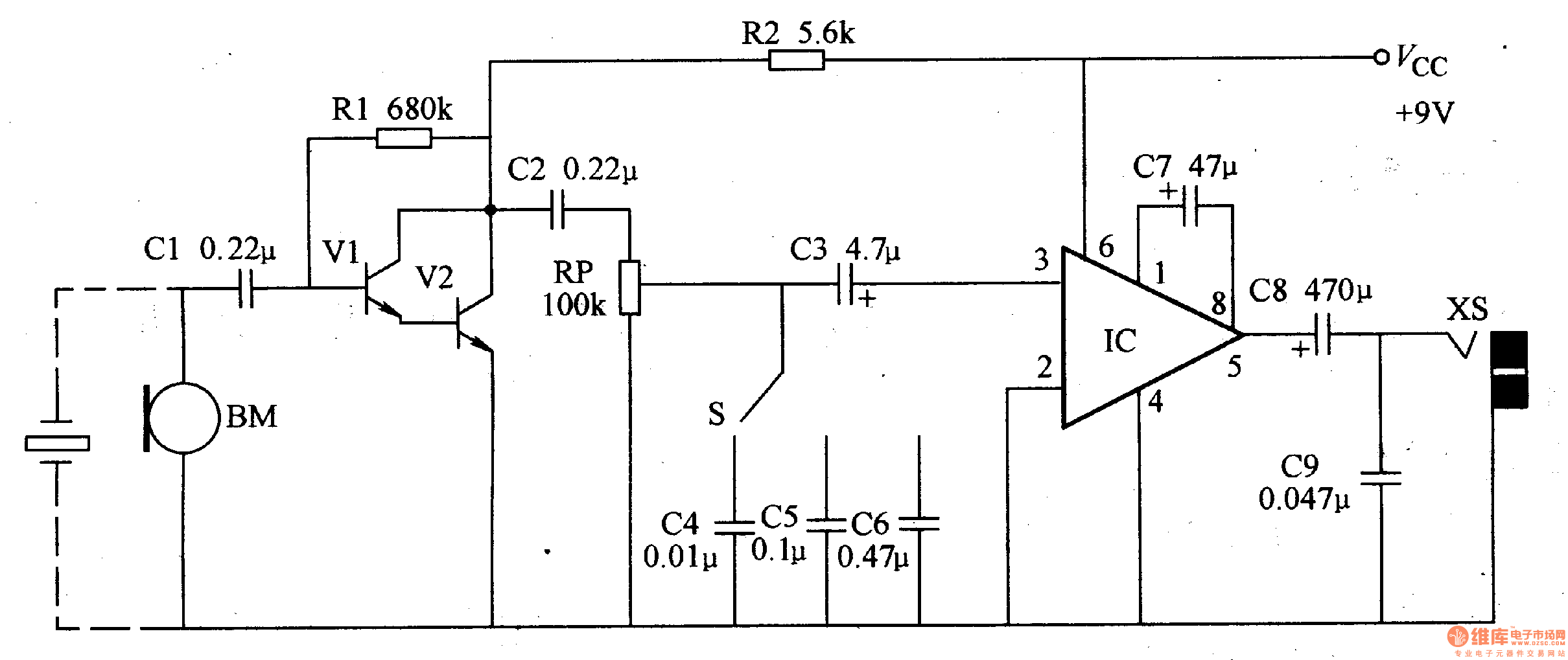
This electronic stethoscope circuit is composed of microphone preamplifier, tone control, volume control and power amplifier circuit, it is shown in the figure 9-137.
The preamplifier circuit is made of transistors Vl、V2 and capacitors Cl、C2, resistors Rl、R2.
RP is volume potentiometer.
The tone control circuit is composed of selection switch S and capacitors C4-C6.
The power amplifier circuit consists of integrated circuit IC and capacitors C3, C7-C9.
The microphone BM is fixed to the probe of stethoscope, it can change the sound singal such as body heart, lung, pulse into electrical signal, it is coupled to V1's base by C1, after passing V1, V2 preamplifiers and tone, volume control, it is imported from 3-foot of power amplifier IC. The audio singal is exported from 5-foot by IC amiplifier, then it is coupled to earphone socket XS by C8, at last, it restores the amplified sound by external earphone.
Reprinted Url Of This Article:
http://www.seekic.com/circuit_diagram/Basic_Circuit/Electronic_stethoscope2.html
Print this Page | Comments | Reading(3)
Code: