Published:2009/7/24 12:53:00 Author:Jessie | From:SeekIC

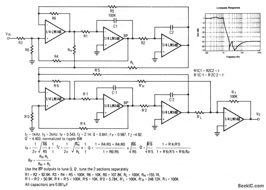
With the values shown, this circuit provides a 4th-order 1-kHz elliptic filter (with 4 poles and 4 zeros). The equations are given for other frequencies. Raytheon Linear integrated Circuits, 1989, p. 4-266.
Reprinted Url Of This Article:
http://www.seekic.com/circuit_diagram/Basic_Circuit/Elliptic_filter_.html
Print this Page | Comments | Reading(3)
Code: