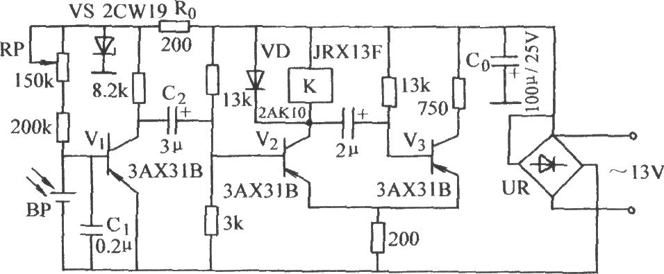
Published:2011/9/12 21:35:00 Author:Ecco | Keyword: Emitter-coupled monostable, driving relay | From:SeekIC

Reprinted Url Of This Article:
http://www.seekic.com/circuit_diagram/Basic_Circuit/Emitter_coupled_monostable_circuit_with_driving_relay.html
Print this Page | Comments | Reading(3)
Code: